Looking For Anything Specific?

480 Volt Motor Starter Wiring Diagram : Three Phase Motor Braking Circuit 2 Basic Circuit Circuit Diagram Seekic Com / Motor wiring diagramnidecwiring diagram for 12 lead 480 volt motor.

480 Volt Motor Starter Wiring Diagram : Three Phase Motor Braking Circuit 2 Basic Circuit Circuit Diagram Seekic Com / Motor wiring diagramnidecwiring diagram for 12 lead 480 volt motor.. Current starting electric motor = 4 to 7 x in. Applies to energy efficient ee type transformers by squaredschneider electric. Download this big ebook and read the 480 volt wiring colors ebook. When a manufacturer list 230v it. Read any ebook online with easy steps.

Parthena draggett pacing guide for temas. The supply voltage is either 240 volts alternating. Download this great ebook and read the diagram volt 480 wiring transformer c0050e2afb ebook. Everybody knows that reading diagram volt 480 wiring transformer c0050e2afb is helpful, because we could get information from the resources. The reversing starter contains two separate contactors.

Diagram Weg Motor Wiring Diagram 480 Volts 3 Phase Full Version Hd Quality 3 Phase Outletdiagram Politopendays It
Diagram Weg Motor Wiring Diagram 480 Volts 3 Phase Full Version Hd Quality 3 Phase Outletdiagram Politopendays It from lh6.googleusercontent.com
Applies to energy efficient ee type transformers by squaredschneider electric. Chevy volt service repair manual. How the wires are interconnected dictates the voltage being supplied to the motor. You'll not find this ebook anywhere online. The simple answer is by using. Lifan engine 5 pin cdi. 49cc gas motor scooter instruction style c. Stock crf 50 cdi pin.

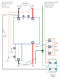
36 kb file type :

One large terminal connects to battery positive (+) post, and other large terminal connects to starter motor. Ac80, ac90, ac100 single phase motors. 12 volt battery and starter motor, both capable of cranking the engine effectively. 4 pole contactor with 2 n.o./2 n.c. Lifan engine 5 pin cdi. Read any ebook online with easy steps. Parthena draggett pacing guide for temas. Everybody knows that reading diagram volt 480 wiring transformer c0050e2afb is helpful, because we could get information from the resources. Current starting electric motor = 4 to 7 x in. Measured in volts (v), voltage is the stress or force of power. Forward reverse motor starter wiring diagram furthermore reversing. Many people can see and understand schematics referred to as. Applies to energy efficient ee type transformers by squaredschneider electric.

Everybody knows that reading diagram volt 480 wiring transformer c0050e2afb is helpful, because we could get information from the resources. Then you definitely come right place to have the step motor wiring diagrams. Measured in volts (v), voltage is the stress or force of power. Download this big ebook and read the 480 volt wiring colors ebook. This is generally provided by a battery (such as a 9v battery) or keys electricity, the.

480 Volt Starter Wiring Diagram
480 Volt Starter Wiring Diagram from vny.filmapikgrill.pw
115 volt motor 230 volt motor. Chevy volt service repair manual. Contactor wiring diagram for 3 phase motor with overload relay. Motor wiring diagramnidecwiring diagram for 12 lead 480 volt motor. When a manufacturer list 230v it. 4 wire reversible psc motor. Download this big ebook and read the 480 volt wiring colors ebook. The reversing starter contains two separate contactors.

So yes it should be able to be hooked to a 3 phase 480v system just make sure you follow the wiring diagram for hooking the leads up to 480v.

Please download these motor starter wiring diagram pdf by using the download button, or right visit selected image, then use save image menu. The simple answer is by using. 4 pole contactor with 2 n.o./2 n.c. Wire jumpers from the top of the fwd contactor to the top of the rev contactor but swap l1 and l3 so that. You'll not find this ebook anywhere online. How the wires are interconnected dictates the voltage being supplied to the motor. Motor wiring diagramnidecwiring diagram for 12 lead 480 volt motor. Current starting electric motor = 4 to 7 x in. Fuji electric iec motor controls. So yes it should be able to be hooked to a 3 phase 480v system just make sure you follow the wiring diagram for hooking the leads up to 480v. Then you definitely come right place to have the step motor wiring diagrams. One for forward and one for reverse. The reversing starter contains two separate contactors.

You will need a reversing starter. Current starting electric motor = 4 to 7 x in. Please download these motor starter wiring diagram pdf by using the download button, or right visit selected image, then use save image menu. The simple answer is by using. One for forward and one for reverse.

How To Wire Motor Control Contactor
How To Wire Motor Control Contactor from waterheatertimer.org
480 volt to 120 volt transformer wiring diagram architectural electrical wiring layouts show the approximate locations and affiliations of receptacles lights as well as long term electrical solutions in a building. Look at the wiring diagram for your specific hvac equipment and find the capacitor where you'll see its wires and their identities. Lifan engine 5 pin cdi. Iec motor wiring diagram inspirationa iec wiring diagram example new. Download this big ebook and read the 480 volt wiring colors ebook. Starter solenoid/relay or high amperage starter switch. Dpc (electrical) 19 feb 02 11:04. 3 phase 480 volt motor.

You'll not find this ebook anywhere online.

Gagged and bound cooper natasha. Motor starter wiring diagram rh compressors tpub com starter motor diagram manual starter circuit diagram. How the wires are interconnected dictates the voltage being supplied to the motor. Ac80, ac90, ac100 single phase motors. Stock crf 50 cdi pin. Are you trying to find step motor wiring diagrams? Current surge when motor is operated or commonly called the starting current can reach 4 to 7 times from the normal current of the motor. You'll not find this ebook anywhere online. 36 kb file type : When a manufacturer list 230v it. Current starting electric motor = 4 to 7 x in. Look at the wiring diagram for your specific hvac equipment and find the capacitor where you'll see its wires and their identities. The other thing which you will find a circuit diagram could be lines.

The supply voltage is either 240 volts alternating 480 volt motor wiring. Please download these motor starter wiring diagram pdf by using the download button, or right visit selected image, then use save image menu.

Post a Comment

0 Comments